
产品中心
PRODUCT CENTER
产品事情原理和用途:
J41W不锈钢阻止阀的启闭件是圆柱形的阀瓣,,,,密封面呈平面或锥面,,,,阀瓣沿流体的中心线作直线运动。。国标阻止阀只适用于全开和全关,,,,一样平常不必来调理流量,,,,定做时允许作调理和节约。。
产品结构特点:
1、结构简朴,,,,制造和维修较量利便
2、事情行程。。,,启闭时间短
3、密封性好,,,,密封面间磨擦力。。,,寿命较长
产品性能参数:
|
型号 |
J41H-16C~160C |
J41Y-16C~160C |
J41W-16P~160P |
|
|
事情压力(MPa) |
1.6~16.0 |
|||
|
适用温度(℃) |
≤425 |
≤150 |
||
|
适用介质 |
水、蒸汽、油品 |
弱侵蚀性介质 |
||
|
质料 |
阀体、阀盖 |
碳素钢 |
铬镍钛不锈钢 |
|
|
阀杆 |
铬不锈钢 |
铬镍钛不锈钢 |
||
|
密封面 |
堆焊铁基合金 |
堆焊硬基合金 |
本体质料 |
|
|
填料 |
石棉石墨、柔性石墨、聚四氟乙烯 |
|||
产品主要零件质料:
|
阀体 |
WCB |
ZG1Cr18Ni12Mo2Ti |
ZGCr5Mo |
ZG1Cr18Ni9Ti |
|
阀盖 |
WCB |
ZG1Cr18Ni12Mo2Ti |
ZGCr5Mo |
ZG1Cr18Ni9Ti |
|
支架 |
WCB |
ZG1Cr18Ni12Mo2Ti |
ZGCr5Mo |
ZG1Cr18Ni9Ti |
|
阀瓣 |
2Cr13 |
316 |
Cr5Mo |
304 |
|
阀杆 |
2Cr13 |
316 |
25Cr2MoV |
304 |
|
阀座 |
25 |
316 |
304 |
304 |
|
密封环 |
304、增强柔性石墨 |
|||
|
填料 |
增强柔性石墨 |
|||
|
阀杆螺母 |
ZCuA110Fe3 |
|||
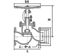
产品主要尺寸:
|
公称压力 |
公称通径 |
标 准 值 |
参 考 值 |
|||||||||||||||||||||
|
L |
D |
D1 |
D2 |
D6 |
b |
f |
f1 |
Z-φd |
Do |
H |
质量(Kg) |
|||||||||||||
|
1.6 |
15 |
130 |
95 |
65 |
45 |
|
16 |
2 |
|
3-φ14 |
120 |
218 |
5.2 |
|||||||||||
|
20 |
150 |
105 |
75 |
55 |
|
16 |
2 |
|
3-φ14 |
140 |
258 |
7.0 |
||||||||||||
|
25 |
160 |
115 |
85 |
65 |
|
16 |
2 |
|
3-φ14 |
160 |
275 |
7.4 |
||||||||||||
|
32 |
180 |
135 |
100 |
78 |
|
18 |
2 |
|
4-φ18 |
180 |
280 |
8.5 |
||||||||||||
|
40 |
200 |
145 |
110 |
85 |
|
18 |
3 |
|
4-φ18 |
200 |
330 |
12.5 |
||||||||||||
|
1.6 |
50 |
230 |
160 |
125 |
100 |
|
16 |
3 |
|
4-φ18 |
220 |
320 |
19 |
|||||||||||
|
65 |
290 |
180 |
145 |
120 |
|
18 |
3 |
|
4-φ18 |
280 |
325 |
28 |
||||||||||||
|
80 |
310 |
195 |
160 |
135 |
|
20 |
3 |
|
8-φ18 |
300 |
355 |
38 |
||||||||||||
|
100 |
350 |
215 |
180 |
155 |
|
20 |
3 |
|
8-φ18 |
320 |
415 |
52 |
||||||||||||
|
125 |
400 |
254 |
210 |
185 |
|
22 |
3 |
|
8-φ18 |
320 |
460 |
80 |
||||||||||||
|
150 |
480 |
280 |
240 |
210 |
|
24 |
3 |
|
8-φ23 |
320 |
510 |
105 |
||||||||||||
|
200 |
600 |
335 |
295 |
265 |
|
26 |
3 |
|
12-φ23 |
400 |
568 |
180 |
||||||||||||
|
250 |
650 |
405 |
355 |
320 |
|
30 |
3 |
|
12-φ25 |
450 |
752 |
326 |
||||||||||||
|
300 |
750 |
460 |
410 |
375 |
|
30 |
4 |
|
12-φ25 |
500 |
812 |
452 |
||||||||||||
|
350 |
850 |
520 |
470 |
435 |
|
34 |
4 |
|
16-φ25 |
700 |
960 |
590 |
||||||||||||
|
400 |
950 |
580 |
525 |
485 |
|
36 |
4 |
|
16-φ30 |
800 |
1060 |
950 |
||||||||||||
|
4.0 |
15 |
130 |
95 |
65 |
45 |
40 |
16 |
2 |
4 |
3-φ14 |
120 |
233 |
5.4 |
|||||||||||
|
20 |
150 |
105 |
75 |
55 |
51 |
16 |
2 |
4 |
3-φ14 |
140 |
275 |
7.0 |
||||||||||||
|
25 |
160 |
115 |
85 |
65 |
58 |
16 |
2 |
4 |
3-φ14 |
160 |
285 |
8.85 |
||||||||||||
|
32 |
180 |
135 |
100 |
78 |
66 |
18 |
2 |
4 |
4-φ18 |
180 |
302 |
11.8 |
||||||||||||
|
40 |
200 |
145 |
110 |
85 |
76 |
18 |
3 |
4 |
4-φ18 |
200 |
355 |
16.5 |
||||||||||||
|
50 |
230 |
160 |
125 |
100 |
88 |
20 |
3 |
4 |
4-φ18 |
240 |
373 |
24 |
||||||||||||
|
6.4 |
15 |
170 |
105 |
75 |
55 |
41 |
18 |
2 |
4 |
4-φ14 |
140 |
195 |
10 |
|||||||||||
|
20 |
190 |
125 |
90 |
68 |
51 |
20 |
2 |
4 |
4-φ18 |
160 |
228 |
13 |
||||||||||||
|
25 |
210 |
135 |
100 |
78 |
58 |
22 |
2 |
4 |
4-φ18 |
180 |
275 |
14.5 |
||||||||||||
|
32 |
230 |
150 |
110 |
82 |
66 |
24 |
2 |
4 |
4-φ23 |
200 |
325 |
19 |
||||||||||||
|
40 |
260 |
165 |
125 |
95 |
76 |
24 |
3 |
4 |
4-φ23 |
240 |
360 |
25 |
||||||||||||
|
50 |
300 |
175 |
135 |
105 |
88 |
26 |
3 |
4 |
8-φ23 |
280 |
410 |
35 |
||||||||||||
|
10.0 |
15 |
170 |
105 |
75 |
55 |
35 |
20 |
2 |
6.5 |
4-φ14 |
140 |
202 |
11 |
|||||||||||
|
20 |
190 |
125 |
90 |
68 |
45 |
22 |
2 |
6.5 |
4-φ18 |
160 |
228 |
13.2 |
||||||||||||
|
25 |
210 |
135 |
100 |
78 |
50 |
24 |
2 |
6.5 |
4-φ18 |
180 |
250 |
14 |
||||||||||||
|
32 |
230 |
150 |
110 |
82 |
65 |
24 |
2 |
6.5 |
4-φ23 |
220 |
326 |
15 |
||||||||||||
|
40 |
260 |
165 |
125 |
95 |
75 |
26 |
3 |
6.5 |
4-φ23 |
240 |
359 |
29 |
||||||||||||
|
50 |
300 |
195 |
145 |
112 |
85 |
28 |
3 |
8 |
8-φ25 |
2890 |
414 |
49 |
||||||||||||
|
16.0 |
15 |
170 |
110 |
75 |
52 |
35 |
24 |
2 |
6.5 |
4-φ18 |
140 |
148 |
12.2 |
|||||||||||
|
20 |
190 |
130 |
90 |
62 |
45 |
26 |
2 |
6.5 |
4-φ23 |
160 |
156 |
15 |
||||||||||||
|
25 |
210 |
140 |
100 |
72 |
50 |
28 |
2 |
6.5 |
4-φ23 |
180 |
175 |
17 |
||||||||||||
|
32 |
230 |
165 |
115 |
85 |
65 |
30 |
2 |
6.5 |
4-φ25 |
220 |
200 |
21.4 |
||||||||||||
|
40 |
260 |
175 |
125 |
92 |
75 |
32 |
3 |
6.5 |
4-φ27 |
240 |
231 |
32 |
||||||||||||
|
50 |
300 |
215 |
165 |
132 |
95 |
36 |
3 |
8 |
8-φ25 |
300 |
262 |
52 |
||||||||||||
产品事情原理和用途:
J41W不锈钢阻止阀的启闭件是圆柱形的阀瓣,,,,密封面呈平面或锥面,,,,阀瓣沿流体的中心线作直线运动。。国标阻止阀只适用于全开和全关,,,,一样平常不必来调理流量,,,,定做时允许作调理和节约。。
产品结构特点:
1、结构简朴,,,,制造和维修较量利便
2、事情行程。。,,启闭时间短
3、密封性好,,,,密封面间磨擦力。。,,寿命较长
产品性能参数:
|
型号 |
J41H-16C~160C |
J41Y-16C~160C |
J41W-16P~160P |
|
|
事情压力(MPa) |
1.6~16.0 |
|||
|
适用温度(℃) |
≤425 |
≤150 |
||
|
适用介质 |
水、蒸汽、油品 |
弱侵蚀性介质 |
||
|
质料 |
阀体、阀盖 |
碳素钢 |
铬镍钛不锈钢 |
|
|
阀杆 |
铬不锈钢 |
铬镍钛不锈钢 |
||
|
密封面 |
堆焊铁基合金 |
堆焊硬基合金 |
本体质料 |
|
|
填料 |
石棉石墨、柔性石墨、聚四氟乙烯 |
|||
产品主要零件质料:
|
阀体 |
WCB |
ZG1Cr18Ni12Mo2Ti |
ZGCr5Mo |
ZG1Cr18Ni9Ti |
|
阀盖 |
WCB |
ZG1Cr18Ni12Mo2Ti |
ZGCr5Mo |
ZG1Cr18Ni9Ti |
|
支架 |
WCB |
ZG1Cr18Ni12Mo2Ti |
ZGCr5Mo |
ZG1Cr18Ni9Ti |
|
阀瓣 |
2Cr13 |
316 |
Cr5Mo |
304 |
|
阀杆 |
2Cr13 |
316 |
25Cr2MoV |
304 |
|
阀座 |
25 |
316 |
304 |
304 |
|
密封环 |
304、增强柔性石墨 |
|||
|
填料 |
增强柔性石墨 |
|||
|
阀杆螺母 |
ZCuA110Fe3 |
|||
产品主要尺寸:
|
公称压力 |
公称通径 |
标 准 值 |
参 考 值 |
|||||||||||||||||||||
|
L |
D |
D1 |
D2 |
D6 |
b |
f |
f1 |
Z-φd |
Do |
H |
质量(Kg) |
|||||||||||||
|
1.6 |
15 |
130 |
95 |
65 |
45 |
|
16 |
2 |
|
3-φ14 |
120 |
218 |
5.2 |
|||||||||||
|
20 |
150 |
105 |
75 |
55 |
|
16 |
2 |
|
3-φ14 |
140 |
258 |
7.0 |
||||||||||||
|
25 |
160 |
115 |
85 |
65 |
|
16 |
2 |
|
3-φ14 |
160 |
275 |
7.4 |
||||||||||||
|
32 |
180 |
135 |
100 |
78 |
|
18 |
2 |
|
4-φ18 |
180 |
280 |
8.5 |
||||||||||||
|
40 |
200 |
145 |
110 |
85 |
|
18 |
3 |
|
4-φ18 |
200 |
330 |
12.5 |
||||||||||||
|
1.6 |
50 |
230 |
160 |
125 |
100 |
|
16 |
3 |
|
4-φ18 |
220 |
320 |
19 |
|||||||||||
|
65 |
290 |
180 |
145 |
120 |
|
18 |
3 |
|
4-φ18 |
280 |
325 |
28 |
||||||||||||
|
80 |
310 |
195 |
160 |
135 |
|
20 |
3 |
|
8-φ18 |
300 |
355 |
38 |
||||||||||||
|
100 |
350 |
215 |
180 |
155 |
|
20 |
3 |
|
8-φ18 |
320 |
415 |
52 |
||||||||||||
|
125 |
400 |
254 |
210 |
185 |
|
22 |
3 |
|
8-φ18 |
320 |
460 |
80 |
||||||||||||
|
150 |
480 |
280 |
240 |
210 |
|
24 |
3 |
|
8-φ23 |
320 |
510 |
105 |
||||||||||||
|
200 |
600 |
335 |
295 |
265 |
|
26 |
3 |
|
12-φ23 |
400 |
568 |
180 |
||||||||||||
|
250 |
650 |
405 |
355 |
320 |
|
30 |
3 |
|
12-φ25 |
450 |
752 |
326 |
||||||||||||
|
300 |
750 |
460 |
410 |
375 |
|
30 |
4 |
|
12-φ25 |
500 |
812 |
452 |
||||||||||||
|
350 |
850 |
520 |
470 |
435 |
|
34 |
4 |
|
16-φ25 |
700 |
960 |
590 |
||||||||||||
|
400 |
950 |
580 |
525 |
485 |
|
36 |
4 |
|
16-φ30 |
800 |
1060 |
950 |
||||||||||||
|
4.0 |
15 |
130 |
95 |
65 |
45 |
40 |
16 |
2 |
4 |
3-φ14 |
120 |
233 |
5.4 |
|||||||||||
|
20 |
150 |
105 |
75 |
55 |
51 |
16 |
2 |
4 |
3-φ14 |
140 |
275 |
7.0 |
||||||||||||
|
25 |
160 |
115 |
85 |
65 |
58 |
16 |
2 |
4 |
3-φ14 |
160 |
285 |
8.85 |
||||||||||||
|
32 |
180 |
135 |
100 |
78 |
66 |
18 |
2 |
4 |
4-φ18 |
180 |
302 |
11.8 |
||||||||||||
|
40 |
200 |
145 |
110 |
85 |
76 |
18 |
3 |
4 |
4-φ18 |
200 |
355 |
16.5 |
||||||||||||
|
50 |
230 |
160 |
125 |
100 |
88 |
20 |
3 |
4 |
4-φ18 |
240 |
373 |
24 |
||||||||||||
|
6.4 |
15 |
170 |
105 |
75 |
55 |
41 |
18 |
2 |
4 |
4-φ14 |
140 |
195 |
10 |
|||||||||||
|
20 |
190 |
125 |
90 |
68 |
51 |
20 |
2 |
4 |
4-φ18 |
160 |
228 |
13 |
||||||||||||
|
25 |
210 |
135 |
100 |
78 |
58 |
22 |
2 |
4 |
4-φ18 |
180 |
275 |
14.5 |
||||||||||||
|
32 |
230 |
150 |
110 |
82 |
66 |
24 |
2 |
4 |
4-φ23 |
200 |
325 |
19 |
||||||||||||
|
40 |
260 |
165 |
125 |
95 |
76 |
24 |
3 |
4 |
4-φ23 |
240 |
360 |
25 |
||||||||||||
|
50 |
300 |
175 |
135 |
105 |
88 |
26 |
3 |
4 |
8-φ23 |
280 |
410 |
35 |
||||||||||||
|
10.0 |
15 |
170 |
105 |
75 |
55 |
35 |
20 |
2 |
6.5 |
4-φ14 |
140 |
202 |
11 |
|||||||||||
|
20 |
190 |
125 |
90 |
68 |
45 |
22 |
2 |
6.5 |
4-φ18 |
160 |
228 |
13.2 |
||||||||||||
|
25 |
210 |
135 |
100 |
78 |
50 |
24 |
2 |
6.5 |
4-φ18 |
180 |
250 |
14 |
||||||||||||
|
32 |
230 |
150 |
110 |
82 |
65 |
24 |
2 |
6.5 |
4-φ23 |
220 |
326 |
15 |
||||||||||||
|
40 |
260 |
165 |
125 |
95 |
75 |
26 |
3 |
6.5 |
4-φ23 |
240 |
359 |
29 |
||||||||||||
|
50 |
300 |
195 |
145 |
112 |
85 |
28 |
3 |
8 |
8-φ25 |
2890 |
414 |
49 |
||||||||||||
|
16.0 |
15 |
170 |
110 |
75 |
52 |
35 |
24 |
2 |
6.5 |
4-φ18 |
140 |
148 |
12.2 |
|||||||||||
|
20 |
190 |
130 |
90 |
62 |
45 |
26 |
2 |
6.5 |
4-φ23 |
160 |
156 |
15 |
||||||||||||
|
25 |
210 |
140 |
100 |
72 |
50 |
28 |
2 |
6.5 |
4-φ23 |
180 |
175 |
17 |
||||||||||||
|
32 |
230 |
165 |
115 |
85 |
65 |
30 |
2 |
6.5 |
4-φ25 |
220 |
200 |
21.4 |
||||||||||||
|
40 |
260 |
175 |
125 |
92 |
75 |
32 |
3 |
6.5 |
4-φ27 |
240 |
231 |
32 |
||||||||||||
|
50 |
300 |
215 |
165 |
132 |
95 |
36 |
3 |
8 |
8-φ25 |
300 |
262 |
52 |
||||||||||||
